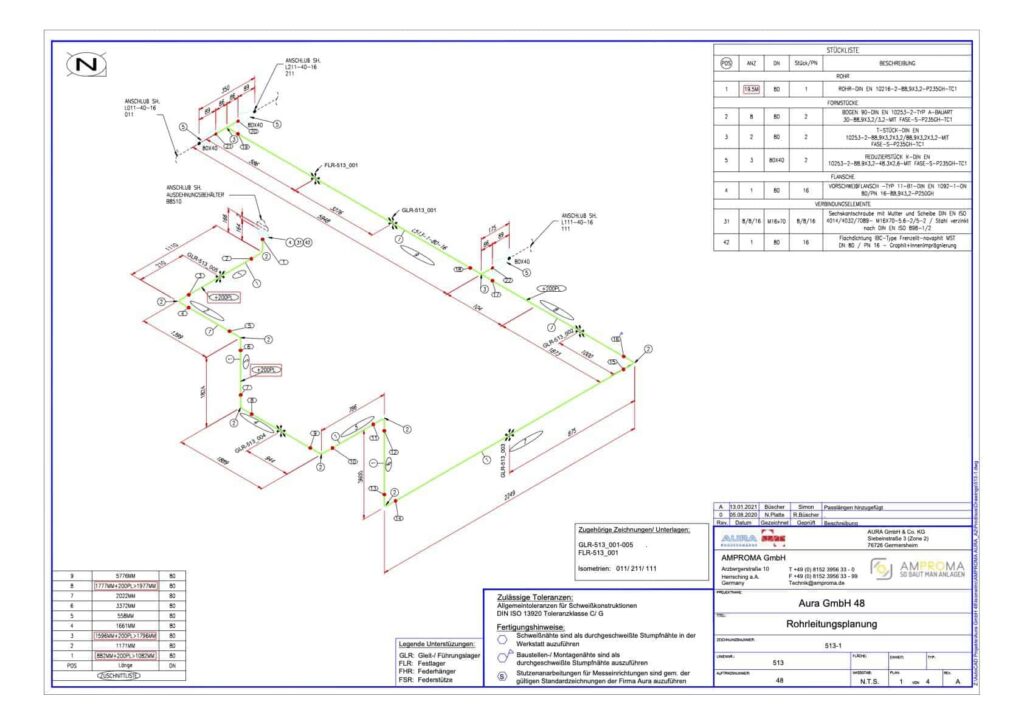
Rohrleitungsplanung für Thermalölturm
Auftrag: Rohrleitungsplanung
Planung
• Plant 3D Rohrleitungsplanung im beigestellten Stahlbau
• als Grundlage Step-Datei Kunde für Stahlbau
• Verwendung vorgegebener Rohrklassen als Masterprojekt
• Erstellen eines Halterungskonzeptes
• Auslegung der Rohrlager mit Fest- und Lospunkten sowie Federhängern
• Auslegung und Berechnung von Sekundär- und Primärstahlkonstruktion für Rohrlager
• RSB-Analyse nach EN13480-3: Spannungsnachweise, Unterstützungslasten, Anschlusslasten, Dokumentation
• Erstellen von Isometrien und Stücklisten
• Erstellen von Halterungszeichnungen mit Stücklisten und Detailinformationen zur Montage
• As-built Dokumentation